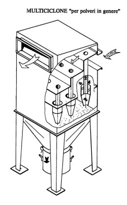
Filtro a multiciclone

Si tratta di depolveratori a ciclone costituiti , come dice il nome stesso , da più cicloni messi in parallelo. Il multiciclone è stato concepito per poter trattare portate considerevoli mantenendo le dimensioni d'ingombro ridotte. L'aria è aspirata attraverso il ventilatore,poi passa nel depolveratore tipo multiciclone; all'interno di quest'ultimo avviene la separazione delle polveri. La separazione si verifica mediante un moto rotatorio ad alta velocità all'interno della turbina.Le polveri si separano tramite centrifuga cadendo nei serbatoi di raccolta da dove possono essere poi evacuate. Il sistema è dotato di un'apparecchiatura elettronica di sicurezza (presostato differenziale) per la misurazione della depressione; se dovesse verificarsi un intasamento il presostato interviene coadiuvato da un allarme (spia lampeggiante rossa) montato sul quadro di comando.Inoltre il multiciclone può essere fornito con un pre-abbattitore del tipo: ciclone o griglia.E' importante sottolineare che un multiciclone è paragonabile da un punto di vista della sepoarazione delle polveri ad un abbattitore a maniche.

I Multicicloni offrono i seguenti vantaggi: Bassa resistenza o perdita di carico

Costo di manutenzione praticamente nullo
Costo d'esercizio bassissimo
Costo d'installazione medio